

應用領域
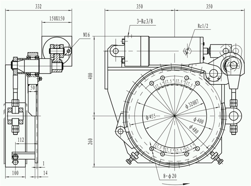
DZ系列帶式制動器主要用于船用起重機回轉、起升、俯仰機構的制動。
產品優勢
使用安 全可靠,制動平穩,動作頻率高;
彈簧制動,液壓釋放;
整體結構簡單緊湊,重量輕;
主要擺動絞點設有自潤滑軸承,傳動效率高、壽命長,在使用過程中無需潤滑;
無石棉制動襯墊,綠色環保。
使用條件
●環境溫度: -20℃ -40℃;
●戶外雨雪侵蝕或有腐蝕性氣體和介質應采用防腐型產品。













型號意義

-
一、雄厚的資金技術實力虹橋公司是一家集科研、生產、銷售和技術服務為一體的高科技現代型企業,注冊資本3000萬元,依托雄厚的資金實力建立了系統的配件維修中心。我公司自成立起一直秉承“專注技術和服務的方針”,產品和服務質量遠高于同行,于2003年先后獲得國家特檢中心頒發的認可證書,成為建筑起重機械分會的會員之一。
-
二、強大的生產加工能力
公司標準化生產基地6.98萬平方米,員工200余人,并具有國內先進的加工流水線成套設備,系統的配件供應體系,且年生產加工設備總量位居市場前列,使公司逐漸在市場的占有率、品牌知名度、工業技術水平、質量狀況等指標上均達到優良水平。
-
三、質量過硬的主推產品公司以市場為導向,不斷開發培育新品種,開發推廣的優良新品種有盤式制動器(安全制動器SB,SBD系列、電力液壓臂盤式YPZ2系列、氣動鉗盤式QP(CQP)系列)、鼓式制動器(電力液壓YWZ系列、電磁鼓式ZWZ3系列、腳踏式TYW系列以及帶式制動器DZ系列)、防風制動器(液壓輪邊型YLBZ系列、頂軌式YDGZ系列和夾軌器YJGQ系列)和驅動裝置(Ed系列、YT1系列和隔爆型BEd系列)。
-
四、靈活快速的市場開發
公司始終遵循圍繞市場、服務客戶的營銷理念,營銷方式在注重實效的前提下靈活多樣。公司市場服務的網絡已遍布河北、山西、新疆、安徽、江蘇、山東、內蒙、遼寧等地,并出口東南亞,歐美等國家地區,在國內、國外的營銷網絡日趨完善,并擁有多家穩定的代理商,為實現產品的跨越式發展注入了強勁的動力。
-
五、良好的信譽保證“品行天下、共創雙贏”是我們企業堅守的經營理念?!鐦颉浦苿悠飨群髽s獲河南省商標,“河南省優良產品”的稱號,以及“河南省科技型中小型企業”的稱號,逐漸成為客戶心目中的滿意品牌;此外,公司于2002年順利通過ISO9001國際質量體系認證。經過10多年的不斷發展,目前已成為河南省具有發展潛力的制動器企業之一。
-
六、堅實的科研后盾
我公司與多家建筑起重機械公司和眾多生產供應商達成了長期合作和科技依托的關系。公司現有科研人員20人,外聘專家1名,年完成測配組合2000多個。
數年耕耘終有報,碩果累累滿枝頭。公司已為中國多家大型企業和建設項目成功設計、制造出具有國際行業先進水平的專用傳動設備,我們的產品服務著國內幾百家企業和上萬家遍及機械、冶金、港口、電路和水利等中小型企業,均具有很強的生產優勢、市場潛力和競爭力。
-
大中型起重機
-
港口裝卸機械起升
-
緊急安全制動
-
礦用卷揚機
-
提升機
-
皮帶運輸機
-
纜車
-
索纜起重機驅動
-
01
我公司所提供的產品三包,期限一年,在質保期內,由于產品自身質量出現問題,我公司負責免費更換配件及整機。
-
02
對我公司的產品技術性能及在使用中的注意事項,我公司負責作熱情的咨詢服務,并請客戶督促檢查。
-
03
接到貴公司問題反饋立即做出反應,需要現場指導的,省內24小時,省外48小時到達
YW系列電力液壓鼓式制動器
YW-P系列的二級電力液壓鼓式制動器
YW-L系列的二級電力液壓鼓式制動器
YWZB系列的電力液壓鼓式制動器
YWZ13系列電力液壓鼓式制動器
YWZ9系列電力液壓鼓式制動器
DYW系列的隔爆型電力液壓鼓式制動器
MYW(MYWZ)系列緩慢電力液壓鼓式制動器
YWZ3B系列的電力液壓鼓式制動器
YWZ4B系列的電力液壓鼓式制動器
YWZ4系列的電力液壓鼓式制動器
大連華銳踏面制動器安裝
南京港機YPZ制動器應用
攀枝花鋼鐵公司液壓盤式制動器
平潭橋檢查車制動器應用
三一塔機制動器
太原重工鼓式制動器
蕪湖港輪邊制動器應用
鄭州鐵路裝卸機械輪邊制動器項目
株洲冶煉電磁制動器應用
武橋制動器改造
元寶山安 全制動器應用
西 藏DJ水電站
豫公網安備41082302411074號