

基本組件
制動架,執行機構和配套的推動器
應用領域
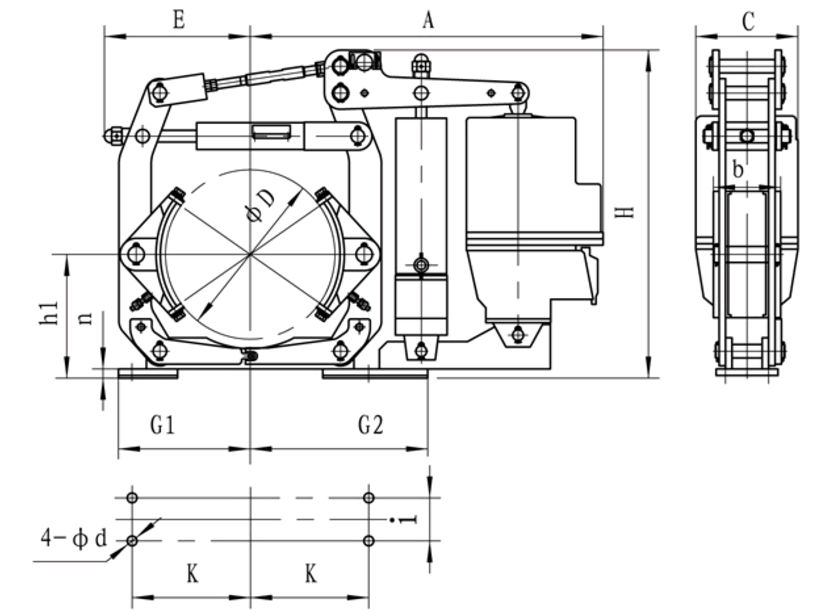
YW-E系列的二級電力液壓鼓式制動器廣泛用于起重機大車行走機構的制動和帶式輸送機的工作制動。
符合標準
YW-E系列的二級電力液壓鼓式制動器的安裝尺寸符合DIN15435和JB/T7021-2006標準,技術要求符合JB/T6406-2006標準。
產品優勢
a)性能安 全可靠,制動平穩。
b)主要擺動鉸點裝有自潤滑軸承,傳動效率高,壽命長,使用過程中無需潤滑。
c)制動力矩直接顯示。
d)設有等退距裝置,避免因退距不均使一側制動襯墊浮貼制動輪的現象。
e)戶外雨雪侵蝕或有腐蝕性氣體和介質應采用防腐型產品。
工作原理
*該系列的制動器為兩級制動式的制動裝置。第 一級制動施加一個可調的較小的制動力矩,減速制動;待停止后,第二級制動開始并可增加一個制動力矩,以實現可靠的維持制動或防風制動。
*第二級的制動時間可通過單向調速閥進行調整,制動平穩,安 全可靠。
使用條件
*環境溫度: -20℃ -50℃;
*空氣相對濕度不大于90%;
*周圍工作環境中不得有易燃、易爆及腐蝕性氣體,否則應采用防腐型產品;
*戶外雨雪侵蝕或有腐蝕性氣體和介質應采用防腐型產品。
使用說明
a)操作前的檢查:制動器工作前應進行全 面檢查,檢查制動器在運輸或儲存過程中是否損壞或缺件,檢查制動輪表面是否清潔,如果有油或其他污垢,應清潔。檢查各項調整是否正確,各部位鎖緊是否需要鎖緊,推進器接線是否正確。
b)試運轉:經檢查一切正常后,制動器應在主機上空載試運轉幾次,使制動襯片有一定的磨合度,使其與制動鼓結合良好。
c) 操作過程:根據制動器在主機上的安裝位置,確定空間較大、便于調整和維護制動器的一側。如果閘瓦的隨動件調整裝置和等間隙裝置不在維修空間的同一側,則可以將它們拆下并安裝在同一側。
安裝完成后,更換上述拆下的部件。將制動器放在主機底座上后,擰松地腳螺栓,轉動拉拔器(橫桿),然后將制動器兩側的閘瓦隨動件中的調整螺栓粘在制動鼓上;如果粘著不好,繼續轉動拉拔器橫桿),當閘瓦之間粘附時制動鼓表面達到好的狀態,停止轉動,擰緊地腳螺栓。
推動器出廠前已加注液壓油,用戶可直接使用。在進行維護工作時,客戶可以將油注入溢流塞;制動器安裝完成后,應測試制動器的各種性能。
d)保養說明:檢查各鉸點是否磨損;制動器機構的運動是否正常,各調節螺母是否鎖緊;推動器提升高度是否符合規定;推動器運行是否正常,液壓油是否充足,有無漏油或滲油,入口管路絕緣是否良好。
其次,制動器存放半年以上,使用前應對鉸鏈銷進行潤滑;銷軸磨損超過原彈性直徑的5%大于0.5mm時應更換;并檢測制動塊是否正常附著在制動鼓上,摩擦面狀況是否良好,是否有油膩或臟污痕跡。
當制動塊厚度達到小值(插入式制動塊不包括凸臺厚度)時,需要更換新的制動塊。
型號意義





-
一、雄厚的資金技術實力虹橋公司是一家集科研、生產、銷售和技術服務為一體的高科技現代型企業,注冊資本3000萬元,依托雄厚的資金實力建立了系統的配件維修中心。我公司自成立起一直秉承“專注技術和服務的方針”,產品和服務質量遠高于同行,于2003年先后獲得國家特檢中心頒發的認可證書,成為建筑起重機械分會的會員之一。
-
二、強大的生產加工能力
公司標準化生產基地6.98萬平方米,員工200余人,并具有國內先進的加工流水線成套設備,系統的配件供應體系,且年生產加工設備總量位居市場前列,使公司逐漸在市場的占有率、品牌知名度、工業技術水平、質量狀況等指標上均達到優良水平。
-
三、質量過硬的主推產品公司以市場為導向,不斷開發培育新品種,開發推廣的優良新品種有盤式制動器(安全制動器SB,SBD系列、電力液壓臂盤式YPZ2系列、氣動鉗盤式QP(CQP)系列)、鼓式制動器(電力液壓YWZ系列、電磁鼓式ZWZ3系列、腳踏式TYW系列以及帶式制動器DZ系列)、防風制動器(液壓輪邊型YLBZ系列、頂軌式YDGZ系列和夾軌器YJGQ系列)和驅動裝置(Ed系列、YT1系列和隔爆型BEd系列)。
-
四、靈活快速的市場開發
公司始終遵循圍繞市場、服務客戶的營銷理念,營銷方式在注重實效的前提下靈活多樣。公司市場服務的網絡已遍布河北、山西、新疆、安徽、江蘇、山東、內蒙、遼寧等地,并出口東南亞,歐美等國家地區,在國內、國外的營銷網絡日趨完善,并擁有多家穩定的代理商,為實現產品的跨越式發展注入了強勁的動力。
-
五、良好的信譽保證“品行天下、共創雙贏”是我們企業堅守的經營理念?!鐦颉浦苿悠飨群髽s獲河南省商標,“河南省優良產品”的稱號,以及“河南省科技型中小型企業”的稱號,逐漸成為客戶心目中的滿意品牌;此外,公司于2002年順利通過ISO9001國際質量體系認證。經過10多年的不斷發展,目前已成為河南省具有發展潛力的制動器企業之一。
-
六、堅實的科研后盾
我公司與多家建筑起重機械公司和眾多生產供應商達成了長期合作和科技依托的關系。公司現有科研人員20人,外聘專家1名,年完成測配組合2000多個。
數年耕耘終有報,碩果累累滿枝頭。公司已為中國多家大型企業和建設項目成功設計、制造出具有國際行業先進水平的專用傳動設備,我們的產品服務著國內幾百家企業和上萬家遍及機械、冶金、港口、電路和水利等中小型企業,均具有很強的生產優勢、市場潛力和競爭力。
-
大中型起重機
-
港口裝卸機械起升
-
緊急安全制動
-
礦用卷揚機
-
提升機
-
皮帶運輸機
-
纜車
-
索纜起重機驅動
-
01
我公司所提供的產品三包,期限一年,在質保期內,由于產品自身質量出現問題,我公司負責免費更換配件及整機。
-
02
對我公司的產品技術性能及在使用中的注意事項,我公司負責作熱情的咨詢服務,并請客戶督促檢查。
-
03
接到貴公司問題反饋立即做出反應,需要現場指導的,省內24小時,省外48小時到達
YW系列電力液壓鼓式制動器
YW-P系列的二級電力液壓鼓式制動器
YW-L系列的二級電力液壓鼓式制動器
YWZB系列的電力液壓鼓式制動器
YWZ13系列電力液壓鼓式制動器
YWZ9系列電力液壓鼓式制動器
DZ系列帶式制動器
DYW系列的隔爆型電力液壓鼓式制動器
MYW(MYWZ)系列緩慢電力液壓鼓式制動器
YWZ3B系列的電力液壓鼓式制動器
YWZ4B系列的電力液壓鼓式制動器
YWZ4系列的電力液壓鼓式制動器
大連華銳踏面制動器安裝
南京港機YPZ制動器應用
攀枝花鋼鐵公司液壓盤式制動器
平潭橋檢查車制動器應用
三一塔機制動器
太原重工鼓式制動器
蕪湖港輪邊制動器應用
鄭州鐵路裝卸機械輪邊制動器項目
株洲冶煉電磁制動器應用
武橋制動器改造
元寶山安 全制動器應用
西 藏DJ水電站
豫公網安備41082302411074號